logo
Stroje a zariadenia pre plastikársky priemysel   Deutsche Version English version Polska
Stojan STB50

Stojan pre upevnenie pneumatického dopravníka a dávkovača farbiva na stroj.

Spolu vznikne komplet na prípravu zmesi. Stojan nahradí násypku vstrekolisu alebo extrudéru.

STB50
  • pripojenie na prírubu násypky ZT220c s pneumatickým dopravníkom PD3-07 , PD3-05, alebo materiálovým cyklónom MC09
  • pripojenie dávkovača farbiva DFT4 alebo DFT5
  • výstupný otvor 46x46 mm (D=65 mm)
  • prevedenie: pozinkovaná oceľ
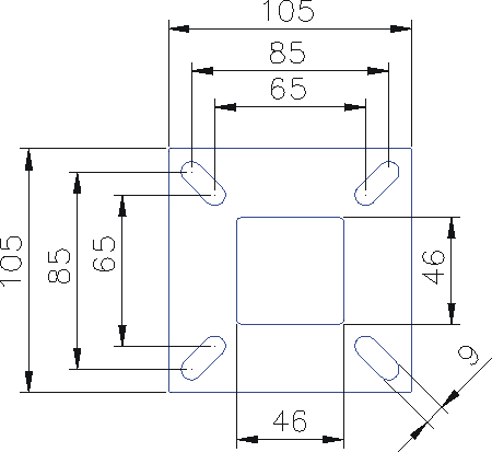
Tvar a rozmery príruby:

STB50

hlavná stránka hore späť ďalší